軸類鍛件的鍛造工藝規程制定
文章出處:未知
人氣:
發表時間:2017-03-13 11:21
軸類鍛件的工藝規程是鍛造企業在指導、組織鍛造生產,確保軸鍛件品質的技術文件。根據零件圖繪制軸鍛件圖。
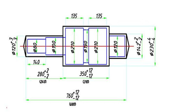
鍛件圖是編制鍛造工藝過程、設計工具、指導生產和驗收鍛件的主要依據。它是在軸鍛件圖的基礎上考慮加工余量、鍛件公差、鍛造余塊、檢驗試樣及操作用夾頭等因素繪制而成 確定軸鍛件的形狀:鍛造時零件上有些不能鍛出的部分需加余塊,以簡化鍛件的形狀和操作工藝,但這樣會增加金屬的消耗和機械加工工時,余量的大小必須保證軸鍛件在鍛造廠下一步的機械加工時能獲得軸零件所需要的尺寸和表面粗糙度。繪制鍛件圖應結合鍛造的具體情況來確定。所繪零件圖如下:

鍛造企業為了便于鍛造,在繪制軸鍛件圖時應遵循以下規則:
1、為了方便起見,鍛件的基體尺寸的尾數可簡化為5或0。
2、軸鍛件的外形用粗實線描繪,為了便于了解零件的形狀和檢查鍛造后的實際余量,對某些復雜的軸零件或大批量生產的鍛件,應在鍛件圖上用點劃線描繪出零件的主要輪廓形狀。
3、軸鍛件的基本尺寸和公差標注在尺寸線上面,而零件的基本尺寸標在尺寸線下面的括號內。
4、鍛造廠在軸鍛件圖上注明鍛件的總長度和各部分長度(凹檔和***后鍛造的那一部分可不必標注長度)。注明各部分長度時應選擇一個基準面(直徑***大的臺階或法蘭)。從這里開始向兩個方向標注。帶凹檔的鍛件可以選擇幾個基面,但基面的數目應力求***少。
5、在軸鍛件圖上還需要注明一些特殊余塊、熱處理吊頭、力學性能試驗用的試棒、機械加工用的夾頭等的位置。
6、零件上加余塊,鍛件的公差加加工余量***后,按機械制圖的規則繪制鍛件圖如下,尺寸線下面的尺寸為零件圖尺寸,并用括弧注明。

下一篇:軸鍛件拔長操作方法及注意事項
上一篇:軸鍛件的鍛造加工變形過程及選用工具

關注公眾微信號 